Mülheim-KärlichTel: (0 26 30) 96 51 70Fax: (0 26 30) 96 51 76-0info@jost-bautechnik.de
Berlin-DahlewitzTel: (03 37 08) 4 03 80Fax: (03 37 08) 4 03 8-10berlin@jost-bautechnik.de
Merkzettel (0)

Muttern

Flügelmuttern

verzinkte Ausführung, Guß


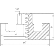
Artikel-Nr.AbmessungenGewicht (kg)
12F2071SW24, H=500.28
15F2071SW27, H=550.31
20F2177SW36, H=600.48
26E2177SW46, H=650.87

Sechskantmuttern

 

/ V = verzinkt


Artikel-Nr.BeschreibungAbmessungenGewicht (kg)
15F2002/50SW 30x50SW30, H=500.22
15F2002/50/Vhex 30x50, vzkt.SW30, H=500.22
15F2002/70SW 30x70SW30, H=700.30
15F2002/70/Vhex 30x70, vzkt.SW30, H=700.30
15F2040/30SW 30x30SW30, H=300.10
15F2040/30/VSW 30x30, vzkt.SW30, H=300.10
20F2002/70SW 36x70SW36, H=700.40
20F2002/70/VSW 36x70, vzkt.SW36, H=700.40
20F2040/30SW 36x30SW36, H=300.16
20F2040/30/VSW 36x30, vzkt.SW36, H=300.16
26E2002/80SW 46x80SW46, H=800.80
26E2002/60SW 46x60SW46, H=600.55
26E2002/80/VSW 46x80, vzkt.SW46, H=800.80
26E2040/30SW 46x30SW46, H=300.30
26E2040/30/V SW 46x30, vzkt.SW46, H=300.30
15VA2002/50Edelstahl, V4A, SW 30x50SW30, H=500.22

Tellermuttern

alle Ausführungen (Ausnahme: 12F2072 u. 15F2072/90) mit drei verstärkten Flügeln; max.Gurtungsabstand 35 mm (15F...), 40 mm (20F...)


Artikel-Nr.BeschreibungAbmessungenGewicht (kg)
12F2072Drm. 70SW24, D=70, H=500.45
15F2072/100Drm. 100SW27, D=100, H=530.69
15F2072/110Drm. 110SW27, D=110, H=530.80
15F2072/130Drm. 130SW27, D=130, H=531.27
15F2072/70Drm. 70SW27, D=70, H=530.50
15F2072/90Drm. 90SW27, D=90, H=530.57
20F2072/130Drm. 130SW36, D=130, H=651.27

Vierkantmuttern

/ V = verzinkt


Artikel-Nr.AbmessungenGewicht (kg)
15F2028/35Vkt 30, H=350.18
15F2028/60Vkt 30, H=600.32
Aktuelle Angebote
Mietservice
Produktkatalog